中文繁体English 您好!欢迎进入美日康电容器(江门)有限公司官网!

全国免费咨询热线:

18998946834(微信同号)

产品分类

PRODUCTS CENTER

铝电解电容器
螺栓型 牛角型 引线型 贴片型 无极性电容 卧式电容 定制品 超级电容 固液混合电容 固态电容
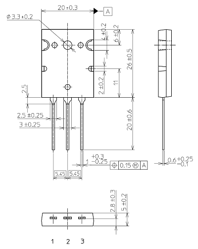
东芝

TO-3P(L)

立即咨询PDF下载

TO-3P(L)

In developing your designs, please ensure the datasheet.

TO-3P(L)package
Mounting Through Hole
Pins 3
Package Dimensions (mm)
Packing Method Tray Packaging
Minimum Quantity 100 pcs/Tray
Tray Dimensions (mm)
技术支持:万广互联Copyright © 2010-2023 美日康电容器(江门)有限公司 All Right ReservedICP备2023119727号
  • 官方微信