中文繁体English 您好!欢迎进入美日康电容器(江门)有限公司官网!

全国免费咨询热线:

18998946834(微信同号)

产品分类

PRODUCTS CENTER

铝电解电容器
螺栓型 牛角型 引线型 贴片型 无极性电容 卧式电容 定制品 超级电容 固液混合电容 固态电容
东芝

USM

立即咨询PDF下载

USM

In developing your designs, please ensure the datasheet.

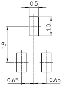
USMpackage
JEITA SC-70
Package Code SOT-323
Mounting Surface Mount
Pins 3
Width×Length×Height
(mm)
2.0×2.1×0.9
Package Dimensions (mm)
/
Land pattern dimensions for
reference only (mm)

Packing Method Embossed Tape
Packing Name TE85L
Minimum Quantity 3000 pcs/Reel
Tape Width (mm) 8
Tape Dimensions (mm)
/
Reel Dimensions (mm)

技术支持:万广互联Copyright © 2010-2023 美日康电容器(江门)有限公司 All Right ReservedICP备2023119727号
  • 官方微信